BONENS DAC41-D 440VAC 6A-30A Three-phase 4-wire AC Three-phase Filter
Category: Products
The DAC41-D terminal three-phase filter adopts WYE circuit design, which can effectively suppress power interference signals. This series of three-phase filters adopts a single pole or multi-stage filter design, with a rated voltage of 380VAC/440VAC. Multi level filter design can be customized and can also provide higher current and voltage according to requirements.
Product Details
PRODUCT NAME
DAC41-D Series Three-phase four-wire AC 380VAC/440VAC power supply noise filter EMI EMC Low Pass Filter Rated current 6A 10A 20A 30A

PRODUCT INTRODUCTION
This series of products produced by our company has the characteristics of standard filter circuit design, small size, low price, and good performance in solving 1Mhz-30Mhz high-frequency interference. It has been widely used in various three-phase system switching power supplies, UPS and other power electronic equipment, distribution cabinets and other three-phase power electronic equipment and other complex electromagnetic interference environment equipment to ensure the normal and safe operation of these equipment and effectively reduce equipment failures. efficiency, reduce the interference of high-frequency signals to peripheral equipment and power grid, and protect your EMC service radiation testing.

PRODUCT FEATURES
1. Rated current: 6A-30A
2. Good low-frequency performance, suitable for high current equipment
3. Terminal block connection method, easy and fast installation
4. Customizable according to requirements

ELECTRICAL CHARACTERISTICS
| Rated voltage | 380/440VAC |
| Rated frequency | 50/60Hz |
| Test power supply | 1500VDC (line/line) |
| Test power supply | 2750VAC (line/ground) |
| Insulation resistance | >50MΩ@500VDC |
| climate category | 25/085/21 |
PRODUCT MODEL
| model | Rated current | leakage current | Shell model | Connection method | safety certificate | Remark | |
| input | output | ||||||
| DAC41-D-6A | 6A | <2.0mA | C41 | Terminal block | Terminal block | CE,ROHS | Parameters support customization |
| DAC41-D-10A | 10A | <2.0mA | C41 | Terminal block | Terminal block | ||
| DAC41-D-20A | 20A | <3.0mA | C41 | Terminal block | Terminal block | ||
| DAC41-D-30A | 30A | <3.0mA | C41 | Terminal block | Terminal block | ||
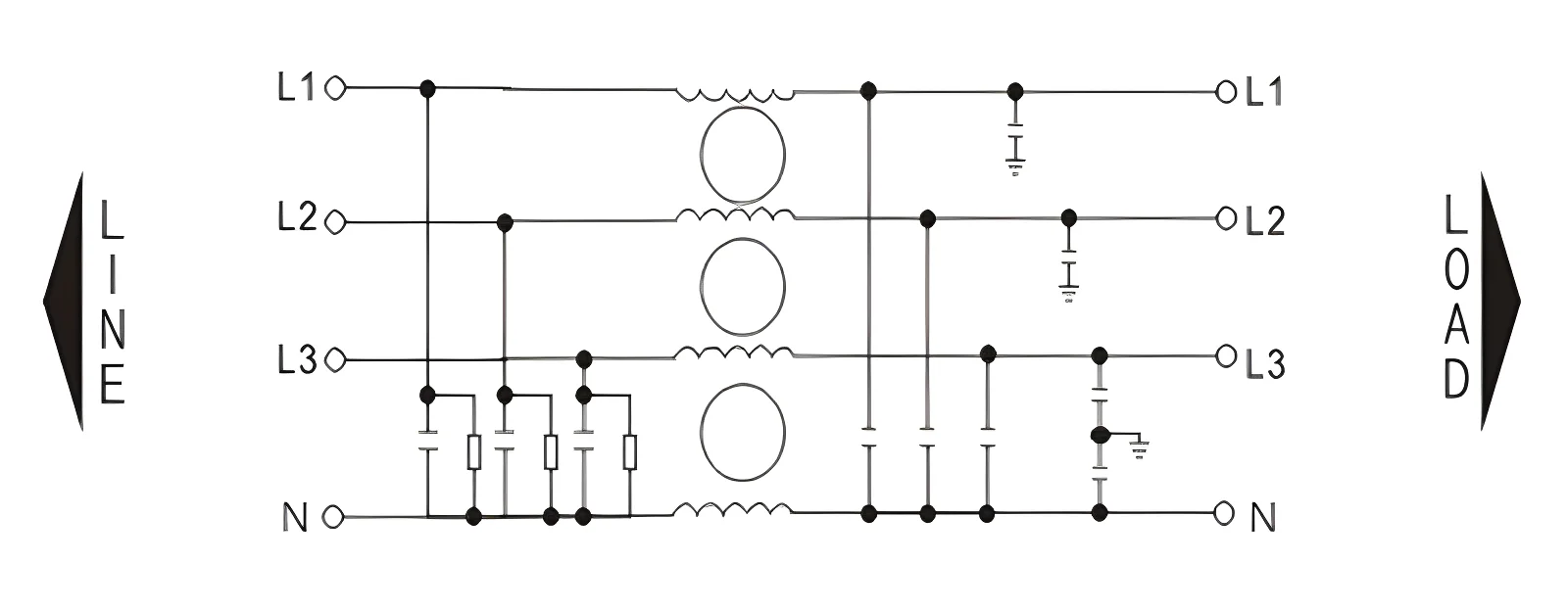
PRODUCT INTERNAL CIRCUIT DIAGRAM

PRODUCT SIZE

INSERTION LOSS
————Common Mode ----------Differential Mode

PRODUCTION PACKAGING

APPLICATION AREA
Widely used in complex electromagnetic interference environments such as various electrical equipment, testing equipment, medical equipment, anime entertainment game consoles, fire protection systems, power equipment, urban security monitoring systems, audio equipment, etc., ensuring the normal working essence of the equipment

PRODUCT CATALOG

AUTHENTICATION

MANUFACTURING

EXHIBITION

COMPANY PROFILE
Sichuan Qixing Electronics Co., Ltd. is a professional company engaged in the development, production, and sales of potentiometer, resistor, filter, potentiometer knob, band switch, and capacitor products. We were established in 2005 and have many years of production experience. Our company headquarters is located in Wenjiang District, Chengdu City, Sichuan Province, China.
We are a factory with many years of production experience, dedicated to providing customers with high-quality products and services. We have advanced production equipment and a professional research and development team, which can provide sufficient capacity and take on OEM customized and ODM orders.
Our product quality has been widely recognized by customers, and our after-sales service has also been highly praised. With many years of production experience, we have provided services and cooperation to many well-known clients. We welcome friends from all over the world to discuss cooperation, and we will provide the best service and products to return the trust and support of customers.
We always adhere to the business philosophy of "quality first, customer first", constantly improve our own quality and service level, and provide better products and services to customers. We look forward to your cooperation and jointly create a better future!

CUSTOMIZATION PROCESS

FAQ
1. who are we?
We are based in Sichuan, China, start from 2005,sell to Domestic Market(70.00%),Western Europe(8.00%),North America(5.00%),South
Asia(3.00%),Eastern Asia(3.00%),South America(2.00%),Southern Europe(2.00%),Eastern Europe(2.00%),Mid East(2.00%),Southeast
Asia(2.00%),Oceania(1.00%). There are total about 51-100 people in our office.
2. how can we guarantee quality?
Always a pre-production sample before mass production;
Always final Inspection before shipment;
3.what can you buy from us?
Potentiometer , Resistor, EMI Filter, Knob, Switch
4. why should you buy from us not from other suppliers?
Our company is establsihed in 2005 ,which mainly develops and manufactures different types of potentiometer,ac dc noise filter,
and ceramic power resistor and is a professional manufacturer ensuring high quality, best services and best price.
5. what services can we provide?
Accepted Delivery Terms: FOB,CFR,CIF,EXW,FCA;
Accepted Payment Currency:USD,EUR,CNY;
Accepted Payment Type: T/T,L/C,MoneyGram,Western Union,Cash;
Language Spoken:English,Chinese
Keywords: BONENS DAC41-D 440VAC 6A-30A Three-phase 4-wire AC Three-phase Filter

